Smart Tweezers Bluetooth ST5S-BT
Main Features:
- Based on our flagship ST5S LCR Meter
- Bluetooth Low Energy connectivity
- Real Time readings streaming
- National Instruments LabVIEW® certified integration
- iOS and Android support
Smart Tweezers ST5S Bluetooth (ST5S-BT), is based on our flagship Smart Tweezers ST5S professional quality LCR meter.
Smart Tweezers ST5S features the most extensive functionality and set options, as well as the highest 0.2% basic accuracy in the Smart Tweezers family.
The Smart Tweezers Bluetooth model streams key measurement readings to connected devices, allowing users to track their measurement results in real time and connects to the following:
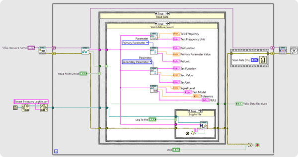
National Instruments LabVIEW® environment
LabVIEW® today is the de facto standard for instrumentation connectivity in the modern lab through the high quality and breadth of instrument drivers.
Smart Tweezers ST5S-BT LabVIEW® instrument driver allows to seamlessly integrate the LCR meter in the lab environment and use extensive LabVIEW® capabilities for data logging, database storage, charting and passing to the connected equipment.
Microsoft Windows Software
Smart Tweezers Bluetooth Companion for Windows allows to connect ST5S-BT to Microsoft Windows 7/8/10 (Smart Tweezers Bluetooth Receiver is required). The software allows to obtain measurement readings from the connected Smart Tweezers, record measurement stream into Excel-compatible CSV files, set and trigger data tolerance alerts. Alert data can be stored in a set of custom measurement profiles.

Additionally, the Bluetooth Companion allows to control ST5S-BT over Bluetooth and preset its modes and measurement parameters.

Android and iOS Companion Apps
Smart Tweezers apps provide ST5S-BT connectivity to wide array of portable devices and tablets.
Android and iOS apps provide visualization of measurements, data logging as well as data sharing in the connected infrastructure.
Custom user applications
ST5S-BT can easily be integrated into a user environment by an available USB Bluetooth receiver. The receiver is based on an FTDI bridge, creates a virtual RS232 serial port and allows for an effortless integration in the user environment.
|
Note: This set does not include a USB Bluetooth receiver and intended to work with companion iOS and Android apps. |
|
|
For more info, visit www.p65warnings.ca.gov.





